Important Notice: This is a repost of The Building Coder by Jeremy Tammik. Provided for the community.
Looking for AI-powered Revit automation? Check out ArchiLabs →

Section to Crop, Linked Boundary and Intersection

Let's wrap up this week by highlighting two beautiful Revit API discussion forum solutions by Richard RPThomas108 Thomas, who continues sharing new ones at an impressive pace:

Before diving into those, here is a very nice freecodecamp quote of the week:

People worry that computers will get too smart and take over the world. The real problem is that computers are too stupid and they already have taken over the world – Pedro Domingos

Set View Crop to Section Box

The main result for today is Richard's solution to the Revit API discussion forum thread on setting view cropbox to a section box, originally asked six years ago, in 2014, and now finally resolved:

Question: A simple question: how do I set a 3D view crop box to match (the outer corners of) a section box?

Answer: The Building Coder discussed how to set view section box to match scope box.

In this different situation, the two boxes have different coordinate systems, so one has to transformed into the other. Also consider below that the maximum and minimum points of the section box are not enough alone to properly frame the section box with a crop box. If you transform P1 and P2 below from the coordinate space of the section box into the coordinate space of the view, you would end up with the red box. You need to know the missing corners; then you can transform all of the eight corner points into the coordinate space of the view. You then find the max/min XYZ from those and set crop box to green rectangle:

Set view crop to section box

I wrote this extension method for that:

<Extension()>
Public Sub AdjustCropToSectionBox(View3D As View3D)
  'View3D crop can't have a shape assigned and can't be split
  If View3D.CropBoxActive = False Then
    View3D.CropBoxActive = True
  End If
  If View3D.IsSectionBoxActive = False Then
    Exit Sub
  End If

  Dim CropBox As BoundingBoxXYZ = View3D.CropBox
  Dim SectionBox As BoundingBoxXYZ = View3D.GetSectionBox

  Dim T As Transform = CropBox.Transform
  Dim Corners As XYZ() = BBCorners(SectionBox, T)

  Dim MinX As Double = Corners.Min(Function(j) j.X)
  Dim MinY As Double = Corners.Min(Function(j) j.Y)
  Dim MinZ As Double = Corners.Min(Function(j) j.Z)
  Dim MaxX As Double = Corners.Max(Function(j) j.X)
  Dim MaxY As Double = Corners.Max(Function(j) j.Y)
  Dim MaxZ As Double = Corners.Max(Function(j) j.Z)

  CropBox.Min = New XYZ(MinX, MinY, MinZ)
  CropBox.Max = New XYZ(MaxX, MaxY, MaxZ)

  View3D.CropBox = CropBox
End Sub

Private Function BBCorners(
  SectionBox As BoundingBoxXYZ,
  T As TransformAs XYZ()

  Dim SBMx As XYZ = SectionBox.Max
  Dim SBMn As XYZ = SectionBox.Min
  Dim Btm_LL As XYZ = SBMn 'Lower Left
  Dim Btm_LR As New XYZ(SBMx.X, SBMn.Y, SBMn.Z) 'Lower Right
  Dim Btm_UL As New XYZ(SBMn.X, SBMx.Y, SBMn.Z) 'Upper Left
  Dim Btm_UR As New XYZ(SBMx.X, SBMx.Y, SBMn.Z) 'Upper Right

  Dim Top_UR As XYZ = SBMx 'Upper Right
  Dim Top_UL As New XYZ(SBMn.X, SBMx.Y, SBMx.Z) 'Upper Left
  Dim Top_LR As New XYZ(SBMx.X, SBMn.Y, SBMx.Z) 'Lower Right
  Dim Top_LL As New XYZ(SBMn.X, SBMn.Y, SectionBox.Max.Z) 'Lower Left

  Dim Out As XYZ() = New XYZ(7) {
    Btm_LL, Btm_LR, Btm_UL, Btm_UR,
    Top_UR, Top_UL, Top_LR, Top_LL}

  For i = 0 To Out.Length - 1
    'Transform bounding box corords to model coords
    Out(i) = SectionBox.Transform.OfPoint(Out(i))
    'Transform bounding box coords to view coords
    Out(i) = T.Inverse.OfPoint(Out(i))
  Next
  Return Out
End Function

It is also worth considering that the extents of the section box may not be appropriate for how you wish to crop the view. The section box below is relatively tight on the wall elements but due to the viewing angle there is a lot of spare space to the right. When you print that on a sheet it will not be evident why the view content is off centre and what the extra space is for:

Set view crop to section box

Response: This solution worked great; I translated to C# and have posted it here for C# coders:

public static void AdjustViewCropToSectionBox( 
  /*this*/ View3D view )
{
  if( !view.IsSectionBoxActive )
  {
    return;
  }
  if( !view.CropBoxActive )
  {
    view.CropBoxActive = true;
  }
  BoundingBoxXYZ CropBox = view.CropBox;
  BoundingBoxXYZ SectionBox = view.GetSectionBox();
  Transform T = CropBox.Transform;
  var Corners = BBCorners( SectionBox, T );
  double MinX = Corners.Min( j => j.X );
  double MinY = Corners.Min( j => j.Y );
  double MinZ = Corners.Min( j => j.Z );
  double MaxX = Corners.Max( j => j.X );
  double MaxY = Corners.Max( j => j.Y );
  double MaxZ = Corners.Max( j => j.Z );
  CropBox.Min = new XYZ( MinX, MinY, MinZ );
  CropBox.Max = new XYZ( MaxX, MaxY, MaxZ );
  view.CropBox = CropBox;
}

private static XYZ[] BBCorners( BoundingBoxXYZ SectionBox, Transform T )
{
  XYZ sbmn = SectionBox.Min;
  XYZ sbmx = SectionBox.Max;
  XYZ Btm_LL = sbmn; // Lower Left
  var Btm_LR = new XYZ( sbmx.X, sbmn.Y, sbmn.Z ); // Lower Right
  var Btm_UL = new XYZ( sbmn.X, sbmx.Y, sbmn.Z ); // Upper Left
  var Btm_UR = new XYZ( sbmx.X, sbmx.Y, sbmn.Z ); // Upper Right
  XYZ Top_UR = sbmx; // Upper Right
  var Top_UL = new XYZ( sbmn.X, sbmx.Y, sbmx.Z ); // Upper Left
  var Top_LR = new XYZ( sbmx.X, sbmn.Y, sbmx.Z ); // Lower Right
  var Top_LL = new XYZ( sbmn.X, sbmn.Y, sbmx.Z ); // Lower Left
  var Out = new XYZ[ 8 ] {
    Btm_LL, Btm_LR, Btm_UL, Btm_UR,
    Top_UR, Top_UL, Top_LR, Top_LL };
  forint i = 0, loopTo = Out.Length - 1; i <= loopTo; i++ )
  {
    // Transform bounding box coords to model coords
    Out[ i ] = SectionBox.Transform.OfPoint( Out[ i ] );
    // Transform bounding box coords to view coords
    Out[ i ] = T.Inverse.OfPoint( Out[ i ] );
  }
  return Out;
}

Many thanks to Richard and Frank for the solution and the C# translation.

I added the new method AdjustViewCropToSectionBox to release 2021.0.149.2 of The Building Coder Samples, cf. the diff to the previous version.

Room Boundaries and Intersections in Linked Models

Yet another beautiful solution by Richard to determine the column finish area within a room of columns residing partially inside and partially outside the room interior.

Trickier still, this includes handling of columns residing in linked files, copying the relevant elements into the main project file to retrieve the room boundaries there.

Note that there seem to be problems retrieving room boundaries from rooms in linked files, so this transformation process can come in handy in all sorts of similar situations.

Some of the recent issues that this solution helps resolve include:

The question was raised in the Revit API discussion forum thread on how to calculate the column finish area of room:

Question: We want to calculate the column finish area of columns in a room with columns present half inside the room and half outside; we have to ignore the outside finish area and only want the area which comes inside the room boundary.

This screen snapshot shows a typical situation:

Column finish area

Answer: Here is one possible approach:

Possibly slightly more straightforward: the BoundarySegment class has an ElementID property that identifies the Element that generated the boundary segment.

If you review these in RevitLookup, you get the segment length measured to the centre of the wall. This length however likely depends on how the GetBoundarySegments is called, i.e.:

Use SpatialElementBoundaryOptions SpatialElementBoundaryLocation = Finish instead of center; then you may get the curve length for each face which you can multiply with the room height.

Alternatively, if you get the lines only to the centre of the wall, you can get the wall thickness and subtract one half of it from the line length.

Response: We are trying to follow that approach to get the columns, but from the column edges we are not able to calculate the exact overlapping part with the room interior for the column part inside the room.

In our case, we don't know exactly how large a portion of the column is inside and how much is outside. Also, the room is present in the active document and the column is in a linked document. How can we get the column edges that come inside the room?

Answer: That is slightly more challenging, but the same principles as noted previously apply.

Summary of the code below:

  Private Function TObj75(ByVal commandData As Autodesk.Revit.UI.ExternalCommandData,
    ByRef message As String, ByVal elements As Autodesk.Revit.DB.ElementSet) As Result

    If commandData.Application.ActiveUIDocument Is Nothing Then Return Result.Cancelled Else
    Dim UIDoc As UIDocument = commandData.Application.ActiveUIDocument
    Dim Doc As Document = UIDoc.Document

    Dim R As Reference = Nothing
    Try
      R = UIDoc.Selection.PickObject(Selection.ObjectType.Element, "Pick a room any room.")
    Catch ex As Exception
    End Try
    If R Is Nothing Then Return Result.Cancelled Else

    Dim Room As Room = TryCast(Doc.GetElement(R), Room)
    If Room Is Nothing Then Return Result.Cancelled Else

    Dim GeomEl As GeometryElement = Room.ClosedShell
    Dim S As Solid = GeomEl(0) 'Assume single solid for brevity

    Dim FEClnk As New FilteredElementCollector(Doc)
    Dim ECFlnk As New ElementClassFilter(GetType(RevitLinkInstance))
    Dim Lnk As List(Of RevitLinkInstance) = FEClnk.WherePasses(ECFlnk).ToElements.Cast(Of RevitLinkInstance).ToList
    Dim LinkDoc As Document = Lnk(0).GetLinkDocument() 'Assume single link containing columns for brevity

    Dim SolTransformed As Solid = SolidUtils.CreateTransformed(S, Lnk(0).GetTransform.Inverse)
    'The solid in the coord system of the link
    Dim ElintS As New ElementIntersectsSolidFilter(SolTransformed)
    Dim ECF As New ElementCategoryFilter(BuiltInCategory.OST_StructuralColumns)
    Dim LandF As New LogicalAndFilter(ElintS, ECF)
    Dim FEC As New FilteredElementCollector(LinkDoc)
    Dim Els As List(Of ElementId) = FEC.WherePasses(LandF).ToElementIds

    Using tx As New Transaction(Doc, "Copy")
      If tx.Start = TransactionStatus.Started Then

        Dim NewIDs As List(Of ElementId) = ElementTransformUtils.CopyElements(LinkDoc, Els, Doc, Lnk(0).GetTransform, Nothing)
        Dim Ops As New SpatialElementBoundaryOptions() With {.SpatialElementBoundaryLocation = SpatialElementBoundaryLocation.Finish}

        Dim BoundSegs As IList(Of IList(Of BoundarySegment)) = Room.GetBoundarySegments(Ops)
        For i = 0 To BoundSegs.Count - 1
          Dim SegLst As IList(Of BoundarySegment) = BoundSegs(i)
          Debug.WriteLine("List: " & CStr(i + 1)) 'List 0' just doesn't sound right

          For ix = 0 To SegLst.Count - 1
            Dim Seg As BoundarySegment = SegLst(ix)
            If NewIDs.Contains(Seg.ElementId) = False Then Continue For Else

            Debug.WriteLine(CStr(Seg.ElementId.IntegerValue) & ", " & (Seg.GetCurve.Length * 304.8).ToString("F1"))

            'Tried below to see what .LinkedElementId represented (not apparent)
            'Debug.WriteLine(CStr(Seg.LinkElementId.IntegerValue) & "," & Seg.GetCurve.Length & "FromLink")
          Next
        Next

        tx.RollBack()
      End If
    End Using

  End Function

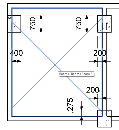
Proof of concept:

Column finish area

Results:

  List: 1
  427532, 400.0
  427532, 750.0
  427532, 400.0
  427536, 275.0
  427536, 200.0
  427534, 200.0
  427534, 750.0
  427534, 200.0

This technique was first developed in the user interface. As Revit users, we had long applied this technique in the UI, i.e., tab into a linked element, copy it to the clipboard and paste it to the same place within the host document.

The ElementTransformUtils is definitely a powerful feature of the API which sometimes gets overlooked in terms of how it can be applied to solve problems.

By the way, this solution simultaneously answers a number of other recent forum issues involving intersections and room boundaries in linked documents, including a previous thread on how to find the rooms geometry adjacent to walls, where an analogous approach can be applied.

It also shows once again how important and useful it is to fully develop and optimise a solution manually in the user interface before beginning to address it programmatically.

Many thanks again to Richard for these nice solutions. You are helping elevate to Revit developer community to a new level!